Afriso Zawór do automatycznego napełniania instalacji FAM, 0,5÷3,0 bar GW G1/2" z manometrem 42 406
- Afriso Zawór FAM do automatycznego napełniania instalacji grzewczych to niezawodne rozwiązanie umożliwiające precyzyjne uzupełnianie medium w systemie. Wyposażony w mosiężny korpus, manometr Ø63 mm, reduktor ciśnienia i zawór zwrotny, zapewnia trwałość or
Afriso FAM to zaawansowany zawór do automatycznego napełniania instalacji, przeznaczony do stosowania w zamkniętych i otwartych systemach grzewczych. Umożliwia łatwe i precyzyjne uzupełnianie wody w instalacji do ustawionego na zaworze ciśnienia, gwarantując stabilną pracę systemu.
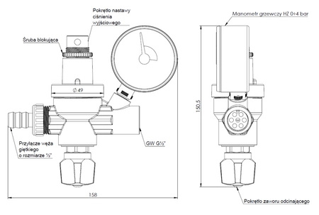
Zawór FAM został wyposażony w solidny korpus wykonany z mosiądzu, co zapewnia trwałość i odporność na uszkodzenia. Wbudowany manometr o zakresie 0–4 bar umożliwia dokładną kontrolę ciśnienia w instalacji. Produkt zawiera również reduktor ciśnienia, zawór zwrotny, zawór odcinający oraz przyłącze do węża giętkiego, co czyni go kompletnym rozwiązaniem dla każdej instalacji grzewczej.
Montowany w najniższym punkcie instalacji, zawór FAM gwarantuje efektywne uzupełnianie medium, które może być zarówno wodą, jak i mieszaniną wody i glikolu o maksymalnym stężeniu 50%.
Najważniejsze cechy:
- Automatyczne napełnianie instalacji grzewczych – do ustawionego zakresu ciśnienia (0,5–3,0 bar).
- Solidna konstrukcja – korpus wykonany z mosiądzu dla długotrwałej niezawodności.
- Wbudowany manometr – Ø63 mm, zakres 0–4 bar, umożliwia precyzyjne monitorowanie ciśnienia.
- Wielofunkcyjność – zawór zawiera reduktor ciśnienia, zawór zwrotny, zawór odcinający i przyłącze do węża giętkiego.
- Wszechstronne medium – obsługuje wodę oraz mieszaninę wody i glikolu (max 50%).
- Łatwy montaż – przeznaczony do instalacji w najniższym punkcie systemu.
Dane techniczne:
- Przyłącze: GW G½"
- Zakres regulacji ciśnienia medium: 0,5–3,0 bar
- Manometr: 0–4 bar, Ø63 mm, G¼" rad
- Przyłącze węża giętkiego: ½"
- Ciśnienie medium: max 10 bar
- Temperatura medium: 90°C
- Medium: woda, mieszanina wody i glikolu (max 50%)
Producent gwarantuje naprawę lub wymianę sprzętu do 24 miesięcy od daty zakupu. Skontaktuj się ze sklepem za pośrednictwem formularza reklamacji aby zamówić kuriera który odbierze sprzęt z Twojego domu.










